Náš kód: P249826

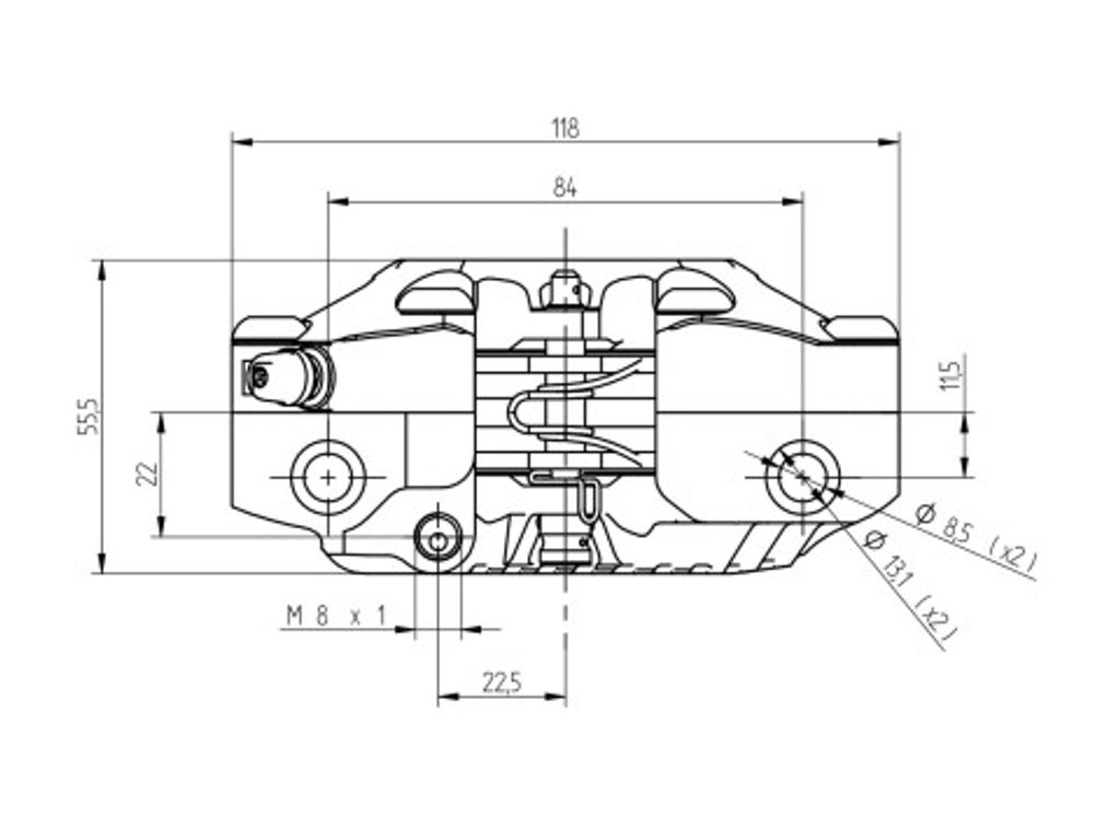
Radial brake caliper ACCOSSATO PZ014

Radiální brzdový třmen pro MiniGP, pitbike a skútry.
Varianty:

371,46 € Vrátane DPH
302,00 € Bez DPH
Na objednávku
+ -
(ks)

Porovnať

Zaradené v kategóriách:     Radiálne brzdové strmene ACCOSSATO

Radial brake caliper ACCOSSATO PZ014
371,46 €
+ -
Náš kód: P249826
0 produktů k porovnání PorovnávanieZobraziť porovnanie